В России ипотека станет доступнее
Как найти сливную пробку охлаждающей жидкости на блоке двигателя
Если проблема слива антифриза возникла в пути либо далеко от места стоянки либо предполагаемого ремонта, можно воспользоваться следующими советами по поиску сливной пробки:
пробка расположена в нижней боковой части блока двигателя на ровной поверхности;
головка пробки обычно выполнена под ключ на 14, 15,16 либо 17;
под сливной пробкой отсутствуют иные элементы крепежа, скобы, другие устройства, она не до конца закручена в блок, имеет специальную резьбу;
часто пробка выполнена из бронзы для уменьшения процессов коррозии.
Видео — где находится сливная пробка охлаждающей жидкости на блоке двигателя SsangYong Actyon:
Конструктивные особенности различных моделей автомобилей предполагают различные рекомендации по организации технологического процесса слива охлаждающей жидкости. В некоторых случаях эту процедуру лучше производить на эстакаде или подъемнике, либо используя поддомкрачивание с одной стороны.
всегда используйте емкость для слива отработанного антифриза, не допускайте его попадания на землю, асфальт, другие поверхности. Помните, любая охлаждающая жидкость промышленного изготовления содержит вредные для здоровья человека и окружающей среды вещества;
отработанный антифриз лучше утилизировать промышленным способом. Его также можно использовать для смешивания с жидкостью систем отопления частных строений, если расширительный бачок установлен в хорошо проветриваемых помещениях;
при попадании ОЖ на открытые участки тела, требуется немедленно их вымыть с использованием моющих средств;
во время слива следите, чтобы антифриз не попадал на элементы кузова и двигателя. Это может вызвать коррозию.
Автовладелец должен знать все плюсы и минусы фильтра нулевого сопротивления перед тем, как устанавливать его на свой автомобиль.
Для чего нужен режим VALET в сигнализации и как его можно включить и отключить.
Видео — где находится сливная пробка охлаждающей жидкости на блоке двигателя Паджеро 3 дизель:
Может заинтересовать:
Антифриз сливаю обычно ближе к осени, к зиме лучше пусть будет свежий. У меня для слива необходимо отвернуть пробку на рубашке двигателя, пробку расширительного бачка и нижний кран на радиаторе. Промывать рекомендую всегда, даже если вы считаете, что слили весь антифриз. После промывки всегда такая грязь вымывается. Промываю обычной водой с несколькими каплями «Ферри». делаю раз в три года.
Если в автомобиле отсутствует кран слива антифриза из блока двигателя, а имеется закрученная по резьбе пробка, можно поменять эту ситуацию. Еще давно, когда антифриз применялся очень редко, была вода, мы на место такой сливной пробки вкручивали сливной кран. Предварительно подобрав его по диаметру и резьбе. Это намного упрощает слив любой находящейся в блоке двигателя жидкости. Не рекомендую, а просто довожу до сведения, а может быть, кому и пригодится.
Несвоевременная замена антифриза может создать проблемы, так как он теряет со временем свои свойства, после чего ремонт силового агрегата может стоить очень дорого. Сливать антифриз надо после того, как двигатель остынет, так как температура антифризов может быть более 100°C. Никогда не льем антифриз на землю, он очень токсичен. Поэтому готовим емкость. Я никогда не снимаю защиту картера, а чтобы не проливать антифриз ставлю широкую емкость. После смены антифриза струей воды промываю защиту. Перед сливом открываю кран радиатора, он у меня внизу слева и ключом на «13» отворачиваю заглушку на блоке цилиндров. Однако полностью слить антифриз с блока самотеком не удастся. Для этого необходимо избыточное давление. Обычно для этого закрывают крышку расширительного бачка и запускают двигатель на 1-2 мин. И так до полного прекращения вытекания антифриза с промежуточным охлаждением двигателя не менее 20-30 мин. Но я делаю по другому – в запасную крышку расширительного бачка вклеена трубка, к которой я подключаю обычный автомобильный компрессор и создаю им давление. Вот и весь способ слива антифриза.
Срок службы антифриза
Что касается антифриза зарубежного производства, то его срок годности может незначительно отличаться от отечественной ОЖ. Опять же, точный срок службы расходного материала нельзя назвать просто так — здесь все зависит от производителя хладагента, состава ОЖ и присадок, добавленных в нее. На сегодняшний день на отечественном рынке можно найти ОЖ, изготовленные на основе силиката или карбоксилата.
К примеру, ОЖ зарубежного производства, в основе которых находится силикат, необходимо заменять не реже, чем каждые три года, или один раз в 100-150 тыс. км пробега. Антифризы на основе карбоксилата в идеальных условиях функционирования двигателя и охладительной системы могут работать не менее пяти лет или 250 тыс. км пробега.
Как и в случае с «Тосолом», срок замены ОЖ во многом определяется непосредственно производителем авто. Даже если вы купили ОЖ со сроком службы 5 лет и заменой через 250 тыс. км пробега, а производитель рекомендует менять хладагент каждые 150 тыс. км, то нужно следовать советам производителя. Советом изготовителя ОЖ необходимо воспользоваться только в том случае, если автопроизводитель не дает указаний по сроку замены хладагента.
Осадок в шланге системы охлаждения после эксплуатации некачественной ОЖ
Какой же срок замены антифриза? Ниже приведена таблица периодичностей замены ОЖ, которые рекомендованы иностранными автопроизводителями. Таблица актуальна в том случае, если владелец транспортного средства заливает в свое авто только тот хладагент, которые получил допуск для конкретной марки машины.
| Производитель автомобиля | Марка авто | Классификация двигателя | Первая замена ОЖ, лет | Периодичность замены, лет | Первая замена ОЖ, тысяч км пробега | Периодичность замены, тысяч км пробега |
| БМВ | БМВ | N 600 69.0 | 4 | 4 | — | — |
| Крайслер | Крайслер | MS-7170 | 3 | 3 | — | — |
| Форд | Форд | ESD-M97B49-A | 10 | 10 | 240 | 240 |
| Форд | Форд | WSS-M97B44-D | 10 | 10 | 240 | 240 |
| Форд | Ягуар | WSS-M97B44-D | 5 | 5 | 240 | 240 |
| Форд | Вольво | 128 6083 / 002 | Залит на весь срок эксплуатации | — | — | — |
| Дженерал Моторз | Деу | — | Через 3 года | Каждые 3 года | — | — |
| Дженерал Моторз | Опель | GM 6277M | Залит на весь срок службы | — | — | — |
| МАН | МАН | 324 Typ N | 4 | 4 | 500 | 500 |
| МАН | МАН | 324 Typ NF | 4 | 4 | 500 | 500 |
| МАН | МАН | 324 Typ SNF | 4 | 4 | 500 | 500 |
| Мазда | Мазда | TI 13/82 | 4 | 2 | 100 | |
| Мазда | Мазда | WSS-M97B44-D | Залит на весь срок эксплуатации | — | — | — |
| Митсубиси | Митсубиси | 4 | 4 | 60 | 60 | |
| Порш | Порш | TL-774 D = G 12 | 10 | 10 | 180 | 180 |
| Рено | Рено | Тип «D» | Залит на весь срок эксплуатации | — | — | — |
| Фольксваген | Ауди | TL-774 C = G 11 | 3 | 3 | ||
| Фольксваген | Ауди | TL-774 F = G 12+ | Залит на весь срок эксплуатации | — | — | — |
| Фольксваген | Фольксваген | TL-774 D = G 12 | Залит на весь срок эксплуатации | — | — | — |
| Фольксваген | Фольксваген | TL-774 F = G 12+ | Залит на весь срок эксплуатации | — | — | — |
| Фольксваген | Фольксваген | TL-774 G = G 12++ | Залит на весь срок эксплуатации | — | — | — |
Сроки замены охлаждающей жидкости
Как и любая другая техническая жидкость в автомобиле, тосол имеет свой срок годности, и после переработки это вещество в обязательном порядке подлежит замене. Однако далеко не все начинающие автомобилисты правильно ориентируются в этих сроках, поэтому абсолютное большинство из них привыкло обращаться за помощью в автосервис, переплачивая лишние деньги за порой совершенно некачественные услуги.
Общие правила и понятия
Между тем, достаточно просто ознакомиться с общими теоретическими понятиями для того, чтобы самостоятельно понимать, как часто менять тосол в машине, чтобы в системах транспортного средства не успели развиться негативные процессы. И прежде всего следует уяснить, что тосол (он же антифриз, он же охлаждающая жидкость) предназначен не только для охлаждения блока двигателя, радиатора и всех примыкающих к ним элементов и систем, но и для их смазки, которая защищает механизмы от коррозийных изменений, а следовательно, и от износа.
Примечательно, что замена антифриза определяется не его объемом (он может оставаться прежним), а потерей своих полезных качеств и свойств присадками, содержащимися в этой технической жидкости, которая, увы, неминуема. Если же продолжать эксплуатировать транспортное средство, не понимая зачем и как часто надо менять антифриз в автомобиле, то последствия могут оказаться плачевными, так как постоянный перегрев двигателя и других агрегатов чреват их деформацией и полным выходом из строя.
Именно поэтому тосол должен меняться, когда:
- Он в значительной мере меняет свой цвет или в нем наблюдается нехарактерное помутнение.
- В хладагенте после отстаивания остается осадок, состоящий из мелких механических частиц и хлопьев.
- Техническая жидкость заметно пенится при малейших колебаниях.
- Антифриз меняет свою плотность, постепенно принимая желеобразную консистенцию.
- Заметно падает уровень тосола в расширительном бачке.
Некоторые «умельцы» в целях экономии привыкли восполнять недостаток технической жидкости водой, руководствуясь тем понятием, что состав тосоть включает H2O и спирт. На самом же деле такие действия являются противопоказанными, ведь тогда про полноценное охлаждение системы придется забыть, и все может закончиться коррозией, выходом из строя помпы, нарушением целостности подводящих ремней и поршневой системы в целом.
Раздумывая над тем, как часто менять антифриз в автомобиле, мастера-самоучки нередко решаются и на такой шаг, как долив тосола без слива из системы уже переработанной жидкости. Однако к таким действиям можно прибегать только в крайних случаях, да и то если речь идет об антифризе одного класса. Межклассовое смешение охлаждающих жидкостей провоцирует выделение осадочных хлопьев, в результате чего меняется и консистенция вещества, которое становится более густым и вязким.
Периодичность замены
Отвечая на вопрос о том, через сколько менять антифриз в машине, высококвалифицированные специалисты рекомендуют обращать внимание на определенные критерии. И речь идет не только об изменении цвета и консистенции тосола, но и о таких важнейших показателях, как пробег автомобиля, длительность его эксплуатации, а также новизна транспортного средства
Так, менять тосол рекомендуется со следующей периодичностью:
- На новых авто: один раз в три года или через каждые 60 тысяч километров пробега при более интенсивной эксплуатации.
- На старых авто или на авто с большим пробегом: через каждые 40−50 тысяч пройденных километров или по мере загрязнения, помутнения или изменения консистенции антифриза.
Помимо прочего, настоятельно рекомендуется обращать внимание и на инструкцию, прилагающуюся к антифризу. Так, время замены охлаждающей жидкости напрямую зависит и от класса тосола, поэтому этот нюанс обязательно следует учитывать при выборе определенного производителя хладагента
Заливаем новый антифриз
Сначала проверяем, нет ли трещин в шлангах, в соединениях помпы. Если видно, что шланчики уже начинают трескаться, меняем сразу.
Пошагово:
- Радиатор промыть напором чистой воды.
- Если есть возможность, промываем дистиллированной водой, так как чуть-чуть воды все же останется в устройстве.
- Вытечет промывочная жидкость, присадки.
- Подсоединяем все отсоединенные шланги.
- Заливаем антифриз до его выхода из технологических отверстий.
- Затягиваем хомуты.
- Запускаем мотор.
- Даем газу. На высоких оборотах жидкость циркулирует быстрее. Даем нагреться до рабочей температуры.
- Глушим двигатель и ждем остывания.
- При необходимости, доливаем антифриз в расширительный бак.

Есть несколько разновидностей жидкости охлаждения:
- стандартный;
- гибридный;
- карбоксилатный вид (G11, G12+).
Главное вещество карбоксилатного вида, то есть антифриза — это этиленгликоль. Маркировка антифриза говорит о наличии тех или иных присадок. Самые популярные присадки — антипена и антикоррозия.
Стандартный вид — это тосол. В основе его силикаты. Функция тосола — покрывать детали защитной пленкой. По мере увеличения пробега автомобиля, эта пленка увеличивается по толщине. Если двигатель перегреется, тосол закипит, это примерно 105 С, то защитная пленка разрушается и образуется, так называемые, хлопья, которые забивают технологические отверстия мелких диаметров.
В основ гибридного вида ЖО — карбоновая кислота. Можно эксплуатировать без замены до 2 лет. Функция такой жидкости — образовать пленку не на всех поверхностях, как это делает тосол, а только там, где есть очаги коррозии.
ЗАЛИВКА ЖИДКОСТИ В СИСТЕМУ
Какую охлаждающую жидкость заливать в ВАЗ 2114, всегда беспокоит автовладельцев этих машин. Большой разницы нет, можно заливать антифриз в систему охлаждения, можно и тосол, но вот смешивать составы все-таки очень нежелательно. Тосол обладает более агрессивной средой за счет других присадок, и его слишком концентрированный состав может со временем даже «разъесть» радиатор. Доливать в радиатор лучше ту марку ОЖ, которая была до этого заправлена в системе. Если марка не известна, то лучше произвести полную замену жидкости.
ЗАМЕНА С ПРОМЫВКОЙ
Можно ли заменить тосол на антифриз? А почему бы и нет. Только необходимо промывать систему охлаждения при замене тосола на антифриз. И наоборот, нужно промывать систему охлаждения при замене антифриза на тосол. Причину промывки мы уже указали – составы разные и смешивание может привести к вспениванию ОЖ. Конечно, взрыва не произойдет, но длительное использование смешанного состава не рекомендуется. Промыть систему следует чистой водой, причем воду меняют несколько раз. Промывают до того момента, пока с радиатора не будет сливаться прозрачная жидкость, без грязных примесей.
Замена охлаждающей жидкости на ВАЗ производится своими руками поэтапно:
- Ставим автомобиль ровно, под наклоном вся ОЖ может не слиться;
- Снимаем пробку расширительного бачка;
- Отворачиваем сливную пробку в нижней части радиатора. Емкость, куда сливается содержимое из радиатора, готовим заранее;
- Скручиваем пробку на блоке цилиндров, сливаем ОЖ из блока. Чтобы добраться до пробки, необходимо демонтировать модуль зажигания. Модуль крепится на трех болтах;
- Заворачиваем пробки, заливаем воду и запускаем двигатель. Даем поработать мотору минут пятнадцать;
- Как уже написано выше, промываем систему несколько раз;
- Затем заливаем новую жидкость и прогоняем воздушную пробку. Сколько литров тосола в ВАЗ 2114 предусмотрено, столько и должно войти в систему.
Рекомендуем: Топливные дизельные форсунки: принцип работы и эволюция развития
УДАЛЕНИЕ ВОЗДУШНОЙ ПРОБКИ
Как заливать антифриз при возникновении воздушной пробки? Есть разные способы заливки жидкости (рассмотрим ниже).
Удаление воздуха через дроссельный узел:
- Снимаем один из шлангов подачи ОЖ на дроссельную заслонку.
- Снимаем пробку расширительного бачка и накрываем бачок чистой ветошью.
- Дуем через тряпку в бачок, пока со снятого шланга не польется ОЖ.
- Быстро ставим шланг на место, затягиваем его хомутом, доливаем жидкость до уровня. Сколько тосола в ВАЗ 2114 еще войдет, зависит от того, насколько «завоздушила» система.
Удаление воздуха через дроссель без снятия пробки расширительного бачка:
- Нагреваем двигатель и глушим.
- Снимаем один из шлангов дросселя.
- Через короткое время воздух должен выйти и потечь тосол.
- Также быстро надеваем шланг.
- Проверяем уровень ОЖ и доливаем ее по необходимости.
Удаление воздуха путем установки автомобиля под наклоном:
- Заезжаем на подъем.
- Снимаем пробку бачка.
- Прогреваем мотор до рабочей температуры.
- Резко газуем. Если жидкость проваливается в систему, доливаем ее.
Самостоятельно можно поменять радиатор охлаждения на ВАЗ. В этом случае также может образоваться воздушная пробка. Нужно контролировать, сколько литров тосола в ВАЗ 2114 войдет. Если новой ОЖ в канистре осталось много, необходимо пробку выгнать, иначе можно перегреть двигатель.
Если не хочется возиться с заменой ОЖ, можно машину отогнать в автосервис. Стоимость такой работы зависит от региона и степени оснащенности автомобильной мастерской или центра. В среднем цена колеблется в районе от 300 до 600 рублей.
СОВЕТЫ ПРИ ЗАМЕНЕ ОЖ
- Горячую жидкость необходимо сливать аккуратно, пользоваться перчатками и плотной влагонепроницаемой одеждой.
- После замены надо проверить, нет ли воздушной пробки в системе. Воздух обязательно нужно выгнать, иначе можно перегреть двигатель.
- При сливании жидкости следует накрыть генератор плотным полиэтиленовым пакетом или тряпкой во избежание попадания не него ОЖ.
- При смешивании тосола с антифризом ничего особо страшного не случится, но смешивания все-таки желательно избегать.
Примите во внимание все нюансы при замене ОЖ Берегите свой автомобиль!
Как выбрать охлаждающую жидкость для автомобиля?
При выборе охлаждающей жидкости, следует выяснить какая именно подходит для вашего автомобиля. Антифриз является агрессивной жидкостью, активно вступающей в реакцию с различными типами металлов. Некоторые разновидности ОЖ несовместимы с радиаторами из меди и латуни, тогда как другие вызывают коррозию алюминиевых деталей. Узнать точные спецификации можно в руководстве по эксплуатации или у официального дилера.
Существует три основных класса антифриза:
- G11 — этиленгликолевые ОЖ с небольшим добавлением антикоррозионных присадок и карбоновой кислоты. Представляют собой самую дешевую и недолговечную разновидность антифриза. За этим классом закреплен зеленый цвет. Стоит отметить, что отечественный тосол условно относится к этой группе. Обозначения G11+ и G11++ указывают на повышенное содержание карбоновой кислоты.
- G12 — ОЖ на основе этиленгликоля с органическими присадками и высоким содержанием карбоксилатных соединений. Данный класс антифриза гораздо лучше справляется с очагами коррозии. За счет высокой теплоемкости, эта жидкость гораздо лучше справляется с охлаждением мощных двигателей. Подобный антифриз стоит дороже, но и прослужит гораздо дольше. За этим классом зафиксирован красный цвет. Обозначения G12+ и G12++ указывают на наличие силикатных присадок или их аналогов.
- G13 — ОЖ на основе экологически чистого аналога этиленгликоля — полипропиленгликоля. Он не ядовит и гораздо быстрее разлагается. По своим свойствам данный класс антифриза ничем не отличается от классов G12+ и G12++. Впрочем, стоит он на порядок дороже. За этим классом закреплен фиолетовый цвет.
Стоит отметить, что разделение на цвета является условным. Цвет не имеет никакого отношения к химическому составу и зависит исключительно от прихоти производителя или решения маркетологов. Изготовители могут окрашивать один и тот же антифриз в разные цвета, чтобы различать их по бренду.
Можно ли доливать воду в антифриз
По поводу вопроса о возможности доливания воды в антифриз существует много споров и мнений. Возьмем на себя смелость утверждать, что доливать воду в охлаждающую жидкость можно, однако есть пара важных моментов.
Температура кристаллизации антифриза
Во-первых, вода должна быть дистиллированной или хотя бы хорошо очищена с помощью фильтров. Это необходимо для того чтобы имеющиеся в жидкости элементы не засорили охлаждающую систему двигателя и не вступили в химическую реакцию с имеющимися в антифризе добавками и присадками.
Во-вторых, воды можно доливать совсем немного — 100…200 мл. В противном случае она очень разбавит «охлаждайку», и последняя потеряет свои эксплуатационные свойства (критично в зимний период). Поэтому использовать воду в качестве жидкости для доливания можно лишь в крайних случаях, когда уровень в системе упал до критического уровня, а аналогичного антифриза у вас под рукой нет.
Теперь рассмотрим более подробно аргументы, говорящие о том, что воду таки можно смешивать с антифризом:
- Вода, которую долили в антифриз, не ухудшит его эксплуатационных качеств. В отличии от охлаждающих жидкостей, относящихся к другим, перечисленным выше, классам. Такое утверждение можно сделать на основании того, свойства антифриза во многом зависят от объемных соотношений входящих в его состав присадок. Если их нарушить (что и случается при смешивании «охлаждаек» разных типов), то упомянутые свойства сводятся на «нет». Вода же пропорционально уменьшает их объемное количество, то есть, их соотношение остается прежним.
- Вопреки распространенному мнению, добавление воды в антифриз понизит температуру замерзания охлаждающей жидкости. Это утверждение можно сделать на основании того, что уменьшение объема охлаждающей жидкости в системе происходит, главным образом, как раз за счет испарение воды. Этот процесс происходит при открывании предохранительного клапана на расширительном бачке. В первую очередь испаряется вода, и лишь затем этиленгликоль. Соответственно, если долить воду, то и температура замерзания восстановится.
Помните, что доливать можно лишь 100…200 мл воды, ведь лишь такое количество не повысит температуру замерзания, так как она будет снижены за счет повышения давления в системе.
Целесообразность добавления воды также связана с тем фактом, что большинство антифризов сами примерно на 70% состоят из воды. Именно этим во многом обусловлено испарение жидкости в летний период. Но помните, что зимой очень сильно разводить антифриз все же не рекомендуется.
Зачем менять антифриз
Антифриз – это специальный раствор, который циркулирует в двигателе с целью поддержания температуры в системе охлаждения. Для чего это нужно? В процессе движения автомобиля происходит постоянное взаимодействие деталей мотора и образуется большое количество тепла. Перегревание – опаснейшее состояние для ДВС, оно может привести к его поломке. Чтобы предотвратить такое повреждение, конструкторы создали охлаждающую систему с принудительной циркуляцией, главную задачу в которой выполняет хладагент.

Основные вопросы, волнующие многих неопытных автолюбителей, о том, как часто нужно менять антифриз. Что случится, если вовремя не сменить охлаждающую жидкость или поменять ее на некачественную. Вот самые серьезные проблемы, которые могут возникнуть из-за плохого антифриза:
-
Нагрев двигателя внутреннего сгорания до температур, мешающих его нормальной работе. Стандартная степень прогрева ДВС составляет от +85 °С до +90 °С. При недостаточном отводе тепла двигатель перегревается, что приводит к увеличению потребления топлива и к утрате мощности.
Если своевременно не принять меры по устранению проблемы, это чревато снижением срока службы двигателя в 2-3 раза. По причине перегрева расширяются корпуса цилиндров и видоизменяются поршневые кольца. Масло попадает в выхлопные газы и наоборот. Смазочный состав утрачивает полезные свойства.
-
Коррозия. Антифриз, который долго находился в системе охлаждения, постепенно превращается в мутноватый раствор цвета ржавчины. Такая смесь провоцирует разрушение контактирующих с ней металлов.
Теплопроводность коррозийного пласта в несколько раз меньше, чем у материала, из которого изготовлена охлаждающая система. В результате мотор плохо отдает тепло, радиатор принимает его в недостаточном количестве, ДВС перегревается. Кроме этого, коррозийный налет вызывает сужение каналов радиатора, что приводит к возрастанию их гидравлического сопротивления – понижаются темп обращения хладагента и уровень отвода тепла.
- Появление мельчайших твердых частиц в антифризе. Осадок дают охлаждающие жидкости с силикатным составом, если хладагент вовремя не заменить. Силикаты – это соединения кремния, которые опадают на металлические плоскости и не растворяются, что вызывает перегрев ДВС.
-
Кавитационная эрозия. Кавитация – это процесс образования и исчезновения в жидкости полостей, заполненных паром. Когда эти пузыри схлопываются, энергия вещества сосредотачивается в очень маленьких объемах.
Небольшие всплески обстреливают металл сильными ударами, высекая из него частицы, что и приводит к возникновению эрозии. Со временем она увеличивается и становится причиной появления дыр в охлаждающем тракте. Профилактикой этой проблемы служит регулярная замена антифриза на хладагент со специальными присадками, которые снижают разрушительное влияние процесса кавитации.
-
Размораживание и последующее возникновение повреждений. Большое содержание воды в охлаждающей жидкости при изменении температуры способствует образованию трещин крупных размеров в бачке-расширителе, патрубках, к утечкам в местах стыковки шлангов.
Такие же неисправности наблюдаются вследствие старения систем машины.
Во избежание вышеперечисленных проблем нужно постоянно контролировать состояние хладагента и вовремя менять его.

Проблемы, которые может создать неисправный датчик распредвала
Неисправности ДПРВ могут привести к появлению различных проблем. Всё зависит от конкретного автомобиля и поломки самого датчика. Наиболее часто автомобилисты упоминают следующие признаки неисправности датчика распредвала:
- Блокировка трансмисии на одной скорости. Для снятия блокировки приходится глушить и снова запускать двигатель. Явление может проявляться через определенные промежутки времени.
- Существенное снижение мощности двигателя. К примеру, часто автомобиль невозможно разогнать выше 55-60 км/ч.
- Двигатель может внезапно заглохнуть.
- Если сбои ДПРВ начинаются на ходу, автомобиль может дергаться, при этом мощность двигателя заметно падает.
- Пропуски зажигания, затрудненный запуск или захлебывание двигателя, плохая динамика.
- Иногда вышедший из строя датчик положения распределительного вала попросту блокирует образование искры, поэтому машину вообще не удается завести.
Как рассчитать, сколько литров антифриза в системе охлаждения
Чтобы определить, сколько литров антифриза заливается в систему охлаждения, придется учитывать следующие особенности:
- Охлаждение двигателя должно происходить эффективно, причем без закипания ОЖ как на холостых, так и на максимальны оборотах. Если тепло не будет отводиться от силового агрегата, он перегреется и его заклинит.
- При этом хладагент должен быстро нагреваться, особенно в зимнее время, иначе водитель и пассажиры замерзнут. В машине прогреваются некоторые узлы, к примеру дроссель, чтобы она работала исправно.
Именно поэтому важно знать, сколько антифриза должно быть в системе охлаждения.
Если вы хотите узнать, сколько антифриза в системе охлаждения, следует определить коэффициент полезного действия ДВС. Значение данного параметра около 20–25 %. Большой процент энергии сгоревшего топлива идет на механические, а также тепловые потери
На них стоит обратить особое внимание. Так, на нагрев уходит огромное количество энергии, целых 30 %.
Расчеты будем проводить исходя из мощности силового агрегата. Чаще всего этот показатель определяется в пике, когда обороты наиболее высокие, от 4 000 до 6 000 в зависимости от марки и модели авто. Обычно водитель видит только мощность машины в лошадиных силах: 100, 120, 150, 200 и так далее.
Чтобы было удобнее делать расчеты, представим, что у нас двигатель мощностью 100 лошадиных сил, а затем переведем их в киловатты. Как это сделать: 100 делим на 1,36, в итоге получается 73,55 кВт. Помним, что в одном киловатте 1,36 лошадиных сил. Также не следует забывать о том, что мы говорим про мощность на самых высоких оборотах. Таким образом, 73,55 умножим на 30 %, получаем 22,065 кВт, округляем до 22,1 – такое количество энергии тратится на тепловые потери.
Задумайтесь, 22,1 кВт идет на нагрев, его необходимо отводить куда-то. Также из данного числа следует вычесть 9 кВт, то есть 40 %, которые уйдут через трубу с выхлопными газами.
Делаем дальнейшие расчеты, чтобы понять, сколько антифриза должно быть в системе охлаждения. Предположим, что двигатель алюминиевый, его вес 100 килограмм. Для нагрева такого мотора потребуется 390 000 Дж на один килограмм (3,9 умножаем на 105). Переводим показатели в кВт, в итоге у нас будет 0,1 кВт на килограмм, затем число нужно умножить на вес двигателя – 100 кг, и мы получим 10. Таким образом, для нагрева ДВС, который весит 100 кг, потребуется 10 кВт тепловой энергии.
Когда вы включаете радиатор в авто, он способен рассеять 2 кВт тепла в стандартном режиме работы, и 3-4 кВт, когда включен обдув. Если температура низкая, рассеивание становится больше. Также в машине установлен радиатор печки, патрубки. В стандартном режиме работы он рассеивает 0,5 кВт, если включен обдув, то в салон поступает 2 кВт тепла.
Подытожим: 22,1 кВт – наибольшее количество тепла. Отнимаем 10 кВт на прогрев мотора, 9 кВт уходят вместе с отработанными газами, 2 кВт – в основной радиатор, и 0,5 кВт в радиатор печки. Итого получаем 21,5 кВт. Необходимо убрать 0,6 кВт, кроме того, задействовать радиатор, который может функционировать только с рабочей жидкостью.
Хладагент имеет удельную теплоемкость 4 кДж на килограмм, при этом жидкость нагревается практически до 100 °С, если ДВС высокотемпературный. Таким образом, получается: 4 умножаем на 100, получаем 400 кДж, то есть 0,11 кВт в час. В нашем случае требуется рассеять 0,6 кВт. Делим это число на 0,11, в итоге имеем 5,45 килограмм (значение в литрах будет почти таким же). Получившееся число номинальное, однако нам необходимо долить тосола немного сверх нормы, чтобы был запас 0,5 л. Итак, ответ на вопрос, сколько антифриза в системе охлаждения должно быть: 6 литров.
Если залить недостаточно жидкости, мотор перегреется на высоких оборотах. Однако не стоит переливать ОЖ, в этом случае прогреваться двигатель будет слишком долго. Кроме того, жидкостная рубашка блока цилиндров имеет значительно меньший объем.
Понятно, что вышеуказанные параметры будут, только когда мотор работает на высоких оборотах, ведь в этом случае горючее сгорает в цилиндрах в максимальном объеме. В то время как на холостом ходу топлива сгорает в 8–10 раз меньше.
Если бы ДВС всегда работал на холостых оборотах, было бы достаточно небольшого количества антифриза в системе охлаждения. Ведь в этом случае расходовалось бы не много энергии во время сжигания горючего, всего 1 л/ч. Переведем этот показатель в киловатты либо джоули, тогда у нас будет 42 мДж на 95 и 98 бензине, то есть 11,1 кВт. Значит, на холостом ходу не будет ни 73, ни 100–150 кВт.
В какое время года лучше производить замену
Неверным является мнение о том, что следить за системой охлаждение необходимо только при плюсовой температуре воздуха. Техническая жидкость способна выдержать довольно низкую температуру – около -65 градусов по Цельсию. Однако производить замену в тёплое время года гораздо комфортнее.
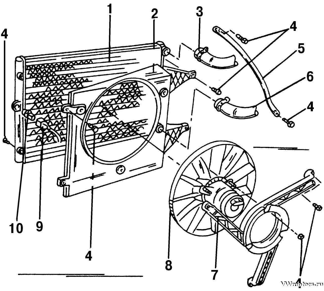
Замена охлаждающей жидкости Volkswagen Passat B5
Охлаждающая жидкость — как же быть с ней? И так со слов официального дилера охлаждайка залита на “весь” срок службы автомобиля. Замена охлаждающей жидкости фольксваген пассат ведь ни кто из нас не жарит на одном масле картошку 5 лет к примеру. Да и люди мы все ни глупые и понимаем что какой бы то ни было технологической жидкости приходит конец и она перестает выполнять свои функции либо полностью либо частично. Занялся вопросом.

Как слить антифриз с движка. На В5 был краник с левой нижней стороны возле радиатора. На В7 — тупо шланг с хамутом. Что бы подобраться к хамуту. Нужно снять левый и правый патрубок интеркулера открутив плоской отверткой хамуты.
Замена Охлаждающей Жидкости Пассат Б3
Если пренебрегали заменой ОЖ, то система охлаждения будет работать неэффективно из-за плохой проходимости каналов, забитых осадками и ржавчиной. Поэтому желательно перед заливкой новой жидкости промыть систему. Для промывки заливается либо чистая, либо дистиллированная вода. Промывку двигателя и радиатора выполняют отдельно.
Как залить?

Перед заливкой следует приготовить охлаждающую жидкость. Прежде, чем заливать ОЖ, необходимо проверить целостность шланг и замена охлаждающей жидкости фольксваген пассат затяжки хомутов. Если все в порядке, систему охлаждения заполняют новой охлаждающей жидкостью. Заливать следует медленно, чтобы не возникло пузырьков воздуха. Жидкость следует лить до уровня чуть ниже максимума. Расширительный бачок в Фольксвагене Пассат После того, как будет выполнена замена, необходимо проверить герметичность соединения термостата с насосом охлаждения, шлагов с радиатором и помпой.

Места, в которых возможны утечки антифриза, определяются по наличию белого налета. Наличие трещин и эластичность рукавов проверяется путем их сжимания и перегибания. Затем устанавливают насос усилителя рулевого управления и ремень приводной.

Закручивают крышку замена охлаждающей жидкости фольксваген пассат расширительном бачке. После этого следует запустить двигатель и дать ему поработать некоторое время в режиме холостого хода на ускоренных оборотах. Как только датчик температуры даст сигнал вентилятору, и он включится, следует заглушить мотор и проверить уровень ОЖ в бачке. Регулятор температуры системы отопления переместить в положение максимальной температуры.
Ослабить хомут крепления шланга возврата жидкости от радиатора отопителя. Сдвинуть со штуцера шланг максимально возможно, чтоб штуцер не закрывал отверстие в шланге для удаления воздуха. Отвинтить для удаления воздуха две заглушки, которые расположены на трубах системы охлаждения рядом с расширительным бачком. Ввинтить с крышкой резьбовой переходник с трубкой диаметром 42 мм и высотой мм.
Необходимо это для полного заполнения системы охлаждению жидкостью и вытеснения воздуха оттуда. Заполнение жидкости производить в замена охлаждающей жидкости фольксваген пассат бачок до тех пор, пока охлаждающая жидкость не будет вытекать через резьбовые заглушки для удаления воздуха.
Заглушки необходимо завинчивать усилием 20 Н.

Заполнить замена охлаждающей жидкости фольксваген пассат жидкость в систему охлаждения до момента, пока она не начнет вытекать через отверстие в шланге.
Одеть шланг до упора на штуцер и закрепить его хомутами. Опустить обороты до холостого хода оборотов и подождать, пока не прогреется автомобиль. Заглушить двигатель. Проверить уровень охлаждающей жидкости. При необходимости — долить. При прогретом двигателе охлаждающая жидкость должна находиться на уровне MAX.

При остывшем двигателе между MIN и Заменить охлаждающую жидкость можно и в гаражных условиях. Для этого необходимо лишь обзавестись необходимым инструментом и иметь небольшой опыт.
Вся процедура по замене занимает не более часов.
















































